Rus |
Eng
Осевые вентиляторы
Основные технические характеристики:
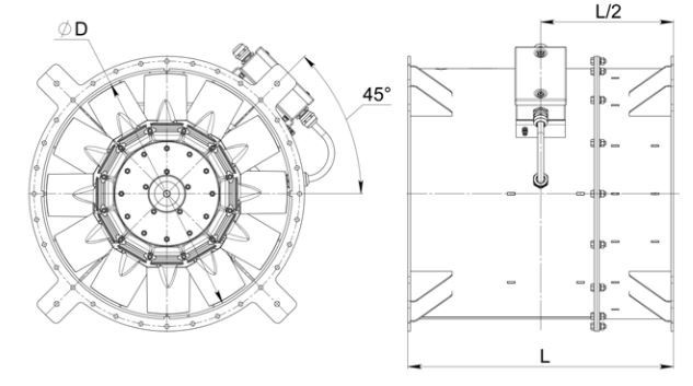
Габариты и присоединительные размеры :
Электровентиляторы от отечественного производителя, изготавливаются под техническим наблюдением Российского морского регистра судоходства или Российского речного регистра.

Технические требования - по МПРТ.644800.001ТУ и МПРТ.644800.001ТУ1.

Работают при температуре окружающей среды от минус 40°С до плюс 50°С.

Типоразмерный ряд судовых вентиляторов может быть расширен новыми типоразмерам в соответствии с техническими требованиями Заказчика.

Диапазон номинальных расходов воздуха - до 100 000 м3/ч.

Корпус вентилятора имеет цилиндрическую форму, электродвигатель расположен внутри корпуса. На наружной стороне корпуса расположена клеммная коробка для электрических подключений.

Вентиляторы комплектуются электродвигателями напряжением 400 В типа А ОМ2, RА ОМ2, а также взрывозащищенными электродвигателями типа ВА ОМ2.

Лопасти рабочих колес, изготовленные из алюминиевого сплава, имеют сложную высокоэффективную каплевидную форму профиля, что повышает КПД вентилятора на 5-10%.

Покрытия деталей и узлов в устройстве обеспечивает коррозионную стойкость, надежную работу и декоративный вид устройства при эксплуатации.

Корпус вентилятора и рабочее колесо выполнены из алюминиевого сплава. Компактные габаритные размеры при сохранении высоких аэродинамических характеристик. Сжатые сроки поставки благодаря складской программе. Широкий модельный ряд. Большой выбор дополнительной комплектации поставки. Возможность регулировки расхода воздуха путем изменения угла установки лопаток рабочего колеса. Электровентиляторы типа ВОС-Х предназначены для перемещения воздуха в системах вентиляции, кондиционирования и воздушного отопления, на объектах нефте- и газодобычи на морском шельфе.
Частота вращения электродвигателей вентиляторов – 1500 и 3000 об/мин
Вентиляторы устанавливаются в вертикальном и горизонтальном положении.
Работоспособность вентиляторов обеспечивается при следующих механических воздействиях:
- качка бортовая с периодом 7...9 с, амплитуда до 22,5°;

- качка килевая с периодом 5...7 с, амплитуда до 10°;

- крен длительный до 15°;

- дифферент длительный до 5°;

- виброускорения с амплитудой до 2g;

Срок службы вентиляторов – 25 лет.

В стандартной комплектации электровентиляторы поставляются с амортизаторами, гибкими вставками, кронштейнами для крепления к палубе или подволоку, контрфланцами для приварки к вентиляционному каналу и необходимым крепежом. По дополнительному запросу поставляются с защитной сеткой и частотным преобразователем. Поставляются со следующей документацией:

- техническое описание;

- инструкция по эксплуатации и ремонту оборудования;

- инструкция по монтажу;

- инструкции по приёмке, транспортировке, хранению, расконсерванции, пусконаладке;

- паспорта, формуляры;

- чертеж с габаритно-присоединительными размерами.

- электронная модель электровентилятора в трехмерном формате..


Комплектность поставки: