Rus |
Eng
Канальные вентиляторы
Основные технические характеристики:
Работоспособность вентиляторов обеспечивается при следующих механических воздействиях: :
Электровентиляторы от отечественного производителя, изготавливаются под техническим наблюдением Российского морского регистра судоходства или Российского речного регистра.

Технические требования
- по МПРТ.644800.003ТУ и МПРТ.644800.003ТУ1.

Работают при температуре окружающей среды от минус 40°С до плюс 50°С.

Типоразмерный ряд судовых вентиляторов может быть расширен новыми типоразмерам в соответствии с техническими требованиями Заказчика.

Диапазон номинальных расходов воздуха - до 3 000 м3/ч.

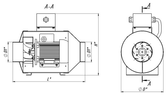
Корпус вентилятора имеет цилиндрическую форму, электродвигатель расположен внутри корпуса.

На наружной стороне корпуса расположена клеммная коробка для электрических подключений.

Климатическое исполнение вентиляторов, категория размещения и условия эксплуатации ОМ2 соответствуют ГОСТ 15150-69. Вентиляторы комплектуются электродвигателями напряжением 400 В RА 71 ОМ2, а также взрывозащищенными электродвигателями типа ВА 63 ОМ2.

Частота вращения электродвигателей вентиляторов – 1500 и 3000 об/мин. Вентиляторы устанавливаются в горизонтальном положении. Лопатки рабочих колес, изготовленные из алюминиевого сплава, имеют сложную высокоэффективную форму профиля с двумя радиусами, что повышает КПД вентилятора на 5-10%.

Покрытия деталей и узлов в устройстве обеспечивает коррозионную стойкость, надежную работу и декоративный вид устройства при эксплуатации.

Корпус вентилятора и рабочее колесо выполнены из алюминиевого сплава. Компактные габаритные размеры при сохранении высоких аэродинамических характеристик. Сжатые сроки поставки благодаря складской программе. Широкий модельный ряд. Большой выбор дополнительной комплектации поставки. Электровентиляторы типа ВК-Х предназначены для перемещения воздуха в системах вентиляции, кондиционирования и воздушного отопления, на объектах нефте- и газодобычи на морском шельфе.
Комплектность поставки :
- качка бортовая с периодом 7...9 с, амплитуда до 22,5°;

- качка килевая с периодом 5...7 с, амплитуда до 10°;

- крен длительный до 15°;

- дифферент длительный до 5°;

- виброускорения с амплитудой до 2g;

Срок службы вентиляторов – 25 лет.

В стандартной комплектации электровентиляторы поставляются с кронштейнами для крепления к палубе или подволоку и необходимым крепежом. По дополнительному запросу поставляются с частотным преобразователем. Поставляются со следующей документацией:

- техническое описание;

- инструкция по эксплуатации и ремонту оборудования;

- инструкция по монтажу;

- инструкции по приёмке, транспортировке, хранению, расконсерванции, пусконаладке;

- паспорта, формуляры;

- чертеж с габаритно-присоединительными размерами.

- электронная модель электровентилятора в трехмерном формате.


Габариты и присоединительные размеры